CN
Home
About Us
Company Profile
Certificates
Development History
Production Site
Products
Drop-out fuse
Lightning arrester
Indoor high-voltage isolating switch
Outdoor high voltage disconnect switch
Indoor high voltage vacuum circuit breaker
Outdoor high-voltage vacuum circuit breaker
Outdoor high-voltage isolation vacuum load switch
Indoor high-voltage vacuum load switch
Indoor high-voltage grounding switch
Insulator
Other Series
News
Services
Leave a Message
Recruitment
Contact Us
Please enter the keywords you want to search...
Products
Home
>
Products
>
Outdoor high-voltage vacuum circuit breaker
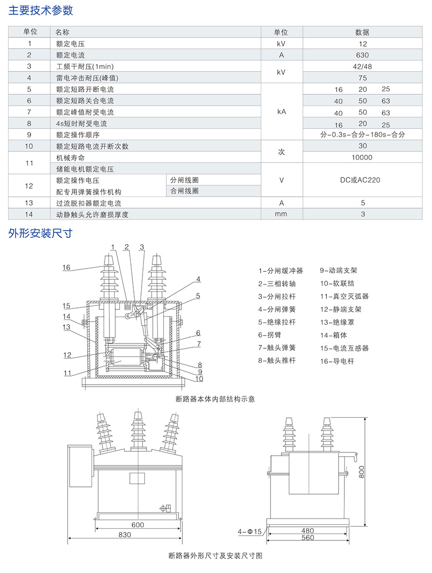
ZW8-12 (G) Outdoor High Voltage AC Vacuum Circuit Breaker
Back
0577-62858287
Contact